UV LED Printing module/lamp
( 123W for Standard UV ink System )
Key Features
- 123W High Power UV-LED (12S4P) made in Taiwan, Quality guarantee. also with Copper substrate for heat dissipation.
- with Multi-wavelength UV LED ( 380-410nm ), Special designed for standard UV printing system. ,to replace Mercury UV Lamps.
- For Sheetfed Offset Printing / Flexographic printing / Letterpress printing machine.
- Easy use for Linear UV light source.
- Typical input current: 2A (0.5A per channel)
- Typical Input voltage: 35V-42V (typ. 40V)
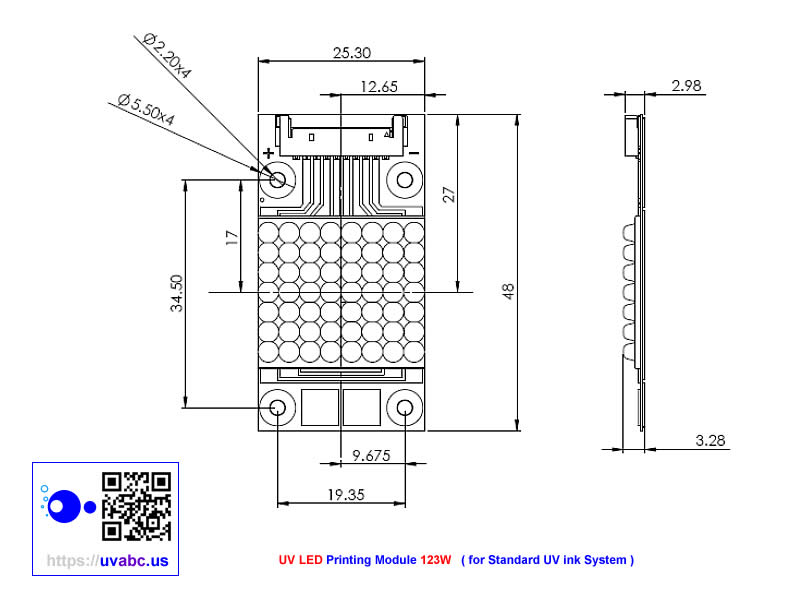
- Irradiation range : 25 x 17.5(mm)
- Board Dimensions : 25.3 x 48 x 3.3 mm
- Connector housing type : Molex 504051-1001 (10 pin)
- Low temp. / Low power / Energy savings, ( available for 110 / 220 V ) with MeanWell c.c. mode adapter.
- Environmentally friendly: RoHS compliant, mercury-free.
UV Irradiance for reference :
- UVA 380nm-410nm ( UV Irradiance : approx. 14 W /cm2 )
p.s.Peak Irradiance refers to measurements with EIT UVICURE PLUS II in UVV program and/or UVA program at the emitting surface.
Remark :
- LED Junction Temperature must be keeping lower than 80°C by air cooling or water cooling system.
- The printing speed is also depended on your designed unit, and the distance between UV LED to curing subject.
Technology
- The Multi-chips LED package benefit from innovations in device technology, chip package and thermalmanagement. This suite of technologies give engineers and system designers the freedom to develop solutions both high in power and efficiency.
- with Copper substrate for heat dissipation.
Package Dimensions (mm)
Specification
Designed for standard UV ink System.
Model No.: UVA-123-380T390P |
UV LED Printing module/lamp - 123W
|
 |
1.123W UV LED module (380nm to 390nm LEDs x 12S4P)
/with Copper substrate.
/with connector
2.UV Irradiance: 10 W/cm2 (Im: 2.8A)
3.for Standard UV ink System |
- |
Model No.: UVA-123-390T400P |
UV LED Printing module/lamp - 123W
|
 |
1.123W UV LED module (390nm to 400nm LEDs x 12S4P)
/with Copper substrate.
/with connector
2.UV Irradiance: 14 W/cm2 (Im: 2.8A)
3.for Standard UV ink System |
- |
Model No.: UVA-123-400T410P |
UV LED Printing module/lamp - 123W
|
 |
1.123W UV LED module (400nm to 410nm LEDs x 12S4P)
/with Copper substrate.
/with connector
2.UV Irradiance: 16 W/cm2 (Im: 2.8A)
3.for Standard UV ink System |
- |
Model No.: UVA-123-400T410P |
UV LED Printing module/lamp - 123W
|
 |
1.123W UV LED module (400nm to 410nm LEDs x 12S4P)
/with Copper substrate.
/with connector
2.UV Irradiance: 16 W/cm2 (Im: 2.8A)
3.for Standard UV ink System |
- |
P.S.
- Caution !! Do not look directly at the UV ultraviolet light , and please wear safety Goggles.
Available for Customization
Please contact us for the details !!
Introduction of accessories